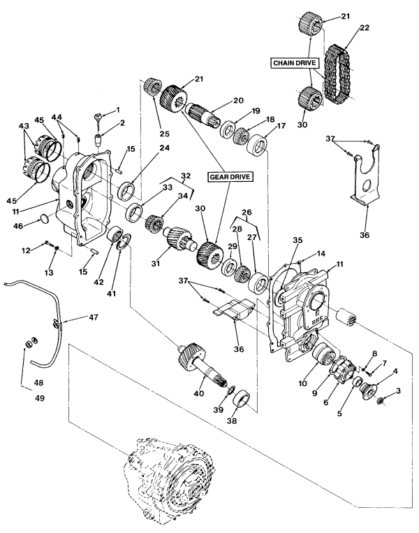
| V-Drive Service Portion - Current Production
|
 |
| INDEX |
PART
|
DESCRIPTION
|
QTY |
| NO.
|
NUMBER
|
| |
13-08-410-*
|
V-DRIVE ASSEMBLY |
|
| 1 |
10-05-559-001
|
. DIPSTICK + |
1 |
| 2 |
13-08-034-001
|
. DIPSTICK TUBE |
1 |
| 3 |
1000-149-034
|
. OUTPUT SHAFT NUT |
1 |
| 4 |
1000-031-001
|
.
COUPLING |
1 |
| 4A
|
4912 |
. COUPLING (EARLY MODELS) |
1 |
| 5 |
1000-044-017
|
.
OIL SEAL |
1 |
| 5A
|
71C-110
|
. OIL SEAL (EARLY MODELS) |
1 |
| 6 |
1308-027-005
|
.
BEARING CAP |
1 |
| 6A
|
1308-027-001
|
. BEARING CAP (EARLY MODELS) |
1 |
| 7 |
00009421652 |
. SOCKET HEAD BOLT (7/16-14X2) |
6 |
| 7A
|
0000179866 |
. HEX HEAD BOLT (7116 -
14X2 EARLY MODELS) |
6 |
| 8 |
0000103322 |
. LOCKWASHER (7116) |
6 |
| 9 |
13-08-045-003
|
.
GASKET |
1 |
| 10 |
4920 |
. BEARING ASSEMBLY |
1 |
| 11 |
13-08-565-015
|
. CASE ASSEMBLY ** (1.51, 1.53, 1.98, AND 1.99 RATIOS) |
1 |
| 11A
|
13-08-565-018
|
. CASE ASSEMBLY ** ( ALL OTHER RATIOS) |
1 |
| 12 |
4853E |
. HEX HEAD BOLT (7116-14 x 1-114) |
8 |
| 13 |
103322 |
. LOCKWASHER (7116) |
8 |
| 14 |
1308-045-001
|
. GASKET (USED BEFORE APRIL 6,
1992) |
1 |
| 14A
|
1308-045-004
|
. GASKET (USED AFTER APRIL 6,
1992) |
1 |
| 15 |
100360 |
.
TAPERED PIN |
2 |
| 17 |
1
000-133-001 |
.. BEARING cuP |
1 |
| 18 |
1
000-133-002 |
.. BEARING CONE |
1 |
| 19 |
13-08-053-001
|
. GEAR SPACER (GEAR DRIVE ONLY) |
1 |
| 20 |
1 3-08-189-002 |
.
INPUT SHAFT |
1 |
| 21 |
13-08-070-001
|
. GEAR (34 TEETH, USED IN
1.99:1 RATIO) |
1 |
| 21A
|
1 3-08-070-002 |
. GEAR (39 TEETH, USED IN
1.51 :1 RATIO) |
1 |
| 21
B |
13-08-070-003
|
. GEAR (30 TEETH, USED IN
2.49:1 RATIO) |
1 |
| 21C
|
13-08-070-004
|
. GEAR (43 TEETH, USED IN
1.21 :1 RATIO) |
1 |
| 21
D |
13-08-070-005
|
. GEAR (26 TEETH, RATIO
NO LONGER AVAILABLE) |
1 |
| 21
E |
13-08-070-006
|
. GEAR (47 TEETH, RATIO
NO LONGER AVAILABLE) |
1 |
| 21F
|
13-08-144-007
|
. SPROCKET (29 TEETH,
USED IN 1.98:1 RATIO) |
1 |
| 21G
|
13-08-144-008
|
. SPROCKET (33 TEETH,
USED IN 1.53:1 RATIO) |
1 |
| 21H
|
1 3-08-144-009 |
. SPROCKET (25 TEETH,
USED IN 2.53:1 RATIO) |
1 |
| 211 |
13-08-144-01 0 |
. SPROCKET (36 TEETH,
USED IN 1.21 :1 RATIO) |
1 |
| 21J
|
1 3-08-144-0 11 |
. SPROCKET (23
TEETH, RATIO NO LONGER AVAILABLE) |
|
| 21K
|
13-08-144-012
|
. SPROCKET (41
TEETH, RATIO NO LONGER AVAILABLE) |
|
| 22 |
13-08-143-003
|
. DRIVE CHAIN
(52 PITCHES, USED IN 1.21 :1, 1.53:1 , |
1 |
| |
|
1.98:1, AND 2.50:1 RATIOS ONLY) |
|
| 22A
|
1 3-08-1 43-004 |
. DRIVE CHAIN
(54 PITCHES, USED IN .97:1 AND 3.10:1 |
1 |
| |
|
RATIOS ONLY, NO LONGER AVAILABLE) |
|
| 24 |
1
000-133-001 |
.. BEARING CUP |
1 |
| 25 |
1
000-133-002 |
.. BEARING CONE |
1 |
| 27 |
1
000-133-003 |
.. BEARING CUP |
1 |
| 28 |
1000-133-004
|
.. BEARING CONE |
1 |
| 29 |
13-08-053-001
|
. GEAR SPACER (GEAR DRIVE ONLY) |
1 |
| 30 |
13-08-070-001
|
. GEAR (34 TEETH, USED IN
1.51 :1 RATIO) |
1 |
| 30A
|
1308-070-002
|
. GEAR (39 TEETH, USED IN
1.99:1 RATIO) |
1 |
| 30B
|
1308-070-003
|
. GEAR (30 TEETH, USED IN
1.21 :1 RATIO) |
1 |
| 30C
|
1308-070-004
|
. GEAR (43 TEETH, USED IN
2.49:1 RATIO) |
1 |
| 30D
|
1308-070-005
|
. GEAR (26 TEETH, RATIO
NO LONGER AVAILABLE) |
1 |
| 30E
|
1308-070-006
|
. GEAR (47 TEETH, RATIO
NO LONGER AVAILABLE) |
1 |
| 30F
|
13-08-144-007
|
. SPROCKET (29 TEETH,
USED IN 1.53:1 RATIO) |
|
| 30G
|
13-08-144-008
|
. SPROCKET (33 TEETH,
USED IN 1.98:1 RATIO) |
1 |
| 30H
|
13-08-144-009
|
. SPROCKET (25 TEETH,
USED IN 1.21 :1 RATIO) |
1 |
| 301 |
13-08-144-01 0 |
. SPROCKET (36 TEETH,
USED IN 2.50:1 RATIO) |
1 |
| 30J
|
1 3-08-144-0 11 |
. SPROCKET (23
TEETH, RATIO NO LONGER AVAILABLE) |
1 |
| 30K
|
13-08-144-012
|
. SPROCKET (41
TEETH, RATIO NO LONGER AVAILABLE) |
1 |
| 31 |
13-08-41 0-0 14 |
. BEVEL GEAR AND
SHAFT *** |
1 |
| 31A
|
1308-171-002
|
. SHAFT ONLY (EARLY MODELS ONLY) |
1 |
| 33 |
1
000-133-001 |
.. BEARING CUP |
1 |
| 34 |
1
000-133-002 |
. . BEARING CONE |
1 |
| 35 |
13-08-037-012
|
. SHIM (0.050 INCH THICK) |
**** |
| 35A
|
13-08-037 -0 13 |
. SHIM (0.040 INCH THICK) |
**** |
| 35B
|
13-08-037-014
|
. SHIM (0.030 INCH THICK) |
**** |
| 35C
|
13-08-037 -01 5 |
. SHIM (0.020 INCH THICK) |
**** |
| 35D
|
13-08-037-016
|
. SHIM (0.010 INCH THICK) |
**** |
| 35E
|
13-08-037-017
|
. SHIM (0.005 INCH THICK) |
**** |
| 35F
|
13-08-037-018
|
. SHIM (0.004 INCH THICK) |
**** |
| 35G
|
13-08-037-019
|
. SHIM (0.003 INCH THICK) |
**** |
| 36 |
1 3-08-036-00 1 |
. OIL BAFFLE (GEAR DRIVE) |
1 |
| 36A
|
1 3-08-036-003 |
. OIL BAFFLE (CHAIN DRIVE) |
1 |
| 37 |
186491 |
. MACHINE SCREW (1/4-20 X 1/2) |
2 |
| 38 |
1 3-08-036-002 |
.
OIL SLEEVE |
1 |
| 39 |
10-13-037 -002 |
. SHIM (0.005 INCH THICK) |
**** |
| 39A
|
10-13-037 -004 |
. SHIM (0.009 INCH THICK) |
**** |
| 39B
|
1 0-13-037 -009 |
. SHIM (0.020 INCH THICK) |
**** |
| 40 |
13-08-41 0-014 |
. BEVEL GEAR AND
OUTPUT SHAFT *** |
1 |
| 40A
|
1308-171-001
|
. SHAFT ONLY (EARLY MODELS ONLY) |
1 |
| 41 |
T86-7-1/2
|
.
SNAP RING |
1 |
| 42 |
1 0-00-134-00 1 |
. ROLLER BEARING |
1 |
| 43 |
13-08-027 -003 |
.
BEARING CAP |
2 |
| 44 |
9422345 |
. SPRING PIN (3116 X 9116 LONG) |
2 |
| 45 |
1 0-00-141-235 |
.
O-RING |
2 |
| 46 |
1 0-00-113-004 |
. EXPANSION PLUG (SOME MODELS
ONLY) |
1 |
| 47 |
1308-534-002
|
.TUBE |
1 |
| 48 |
1000-045-005
|
.
WASHER |
1 |
| 49 |
120854 |
. NUT |
1 |
| NSS- NOT SERVICED
SEPARATELY, BUY NEXT HIGHER ASSEMBLY. |
|
| * MATCH PART NUMBER ON IDENTIFICATION PLATE WITH PART NUMBER ON
MODEL CHART. |
| +
REPLACES DIPSTICK 10-06-559-001 |
|
| ** MATCHED SET,
INCLUDES FRONT COVER AND CASE |
|
| *** MATCHED SET, INCLUDES
BEVEL GEARS AND SHAFTS |
|
| **** USE AS REQUIRED TO OBTAIN PROPER CONTACT PATTERN |
|
|
|
|
|