| 1.88:1 and 1.91:1 Reduction Units - Current Production
|
 |
| INDEX |
PART
|
DESCRIPTION
|
QTY |
| NO.
|
NUMBER
|
| |
NO
NUMBER |
REDUCTION UNIT ASSEMBLY (1.91:1 ) |
|
| |
NO
NUMBER |
REDUCTION UNIT ASSEMBLY (1.88:1 ) |
|
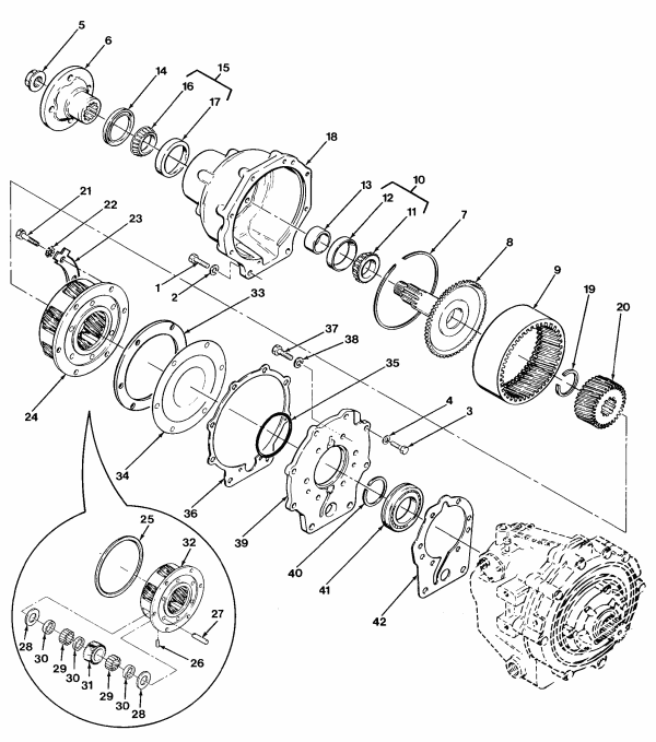
| 1 |
179864 |
. HEX HEAD BOLT (7/16-14 X 1-3/4) |
2 |
| 2 |
103322 |
. LOCKWASHER (7/16) |
2 |
| 3 |
179840 |
. HEX HEAD BOLT (3/8-18 X 1-1/8) |
6 |
| 4 |
103321 |
. LOCKWASHER (3/8) |
6 |
| 5 |
10-00-149-034
|
. COUPLING NUT |
1 |
| 6 |
10-00-031-001
|
.
COUPLING |
1 |
| 7 |
4756D |
.
SNAP RING |
1 |
| 8 |
10-17-171-002
|
. MAIN SHAFT (1.91:1
ONLY), NO LONGER SUPPLIED |
1 |
| 8A
|
10-17-171-004
|
. MAIN SHAFT (1.88:1 ONLY) |
1 |
| 9 |
L3-6 |
. RING GEAR (1.91:1 ONLY) |
1 |
| 9A
|
10-17-162-001
|
. RING GEAR (1.88:1 ONLY) |
1 |
| 10 |
NO
NUMBER |
. BEARING ASSEMBL Y |
1 |
| 11 |
10-00-133-010
|
..BEARING CONE * |
1 |
| 12 |
10-00-133-009
|
..BEARING CUP * |
1 |
| 13 |
10-17-053-002
|
. SOLID SPACER
(.820-.821 INCH LONG)* * |
1 |
| 13A
|
10-17-053-003
|
. SOLID SPACER
(.829-.830 INCH LONG)* * |
1 |
| 13B
|
10-17-053-004
|
. SOLID SPACER
(.832-.833 INCH LONG)* * |
1 |
| 13C
|
10-17-053-005
|
. SOLID SPACER
(.835-.836 INCH LONG)* * |
1 |
| 13D
|
10-17-053-006
|
. SOLID SPACER
(.838-.839 INCH LONG)* * |
1 |
| 13E
|
10-17-053-007
|
. SOLID SPACER
(.841-.842 INCH LONG)* * |
1 |
| 13F
|
10-17-053-008
|
. SOLID SPACER
(.844-.845 INCH LONG)* * |
1 |
| 13G
|
10-17-053-009
|
. SOLID SPACER
(.847-.848 INCH LONG)* * |
1 |
| 13H
|
10-17-053-010
|
. SOLID SPACER
(.850-.851 INCH LONG)* * |
1 |
| 131 |
10-17-053-011
|
. SOLID SPACER
(.853-.854 INCH LONG)* * |
1 |
| 13J
|
10-17-053-012
|
. SOLID SPACER
(.856-.857 INCH LONG)* * |
1 |
| 14 |
10-00-044-017
|
.
OIL SEAL |
1 |
| 15 |
NO
NUMBER |
. BEARING ASSEMBLY |
1 |
| 16 |
10-00-133-002
|
..BEARING CONE * |
1 |
| 17 |
10-00-133-001
|
..BEARING CUP * |
1 |
| 18 |
10-17-065-003
|
. REDUCTION HOUSING |
1 |
| 19 |
4734 |
.
SNAP RING |
1 |
| 20 |
L7-104
|
. SUN GEAR (1.91:1 ONLY) |
1 |
| 20A
|
10-17-165-004
|
. SUN GEAR (1.88:1 ONLY) |
1 |
| 21 |
4853B |
. LOCK BOLT (5/16-18 X 3/4) |
6 |
| 22 |
114605 |
. LOCKWASHER (5/16) (1.88:1 ONLY) |
6 |
| 23 |
10-00-014-002
|
. LOCK PLATE (1.91:1
ONLY), NO LONGER SUPPLIED |
3 |
| 24 |
L9-A
150 |
. PINION CARRIER ASSEMBLY |
1 |
| |
|
(1.91:1 ONLY), NO LONGER SUPPLIED |
|
| 24A
|
10-17-659-021
|
. PINION CARRIER ASSEMBLY
(1.88:1 ONLY) |
1 |
| 25 |
4827 |
..RETAINING RING |
1 |
| 26 |
4717L |
..PINION SHAFT PIN |
6 |
| 27 |
L5-39 |
..PINION SHAFT |
6 |
| 28 |
L3-43 |
..PINION THRUSTWASHER |
12 |
| 29 |
4741
A |
..ROLLER BEARING (1.91:1 ONLY) |
288 |
| 29A
|
10-00-131-011
|
..ROLLER BEARING (1.88:1 ONLY) |
288 |
| 30 |
L3-41 |
..PINION BEARING SPACER
(1.91:1 ONLY) |
18 |
| 30A
|
10-00-053-024
|
..PINION BEARING SPACER
(1.88:1 ONLY) |
18 |
| 31 |
L4-5 |
..PINION GEAR (1.91:1 ONLY) |
6 |
| 31A
|
10-17-163-002
|
..PINION GEAR (1.88:1 ONLY) |
6 |
| 32 |
L9-150
|
..PLANETARY CAGE (1.91:1 ONLY), |
1 |
| |
|
NO
LONGER SUPPLIED |
|
| 32A
|
10-17-159-011
|
..PLANETARY CAGE (1.88:1 ONLY) |
1 |
| 33 |
10-17-045-001
|
. PINION CARRIER GASKET
(1.91:1 ONLY) |
1 |
| 34 |
L9-99 |
. LUBE OIL STRAINER (1.91:1
ONLY), |
1 |
| |
|
NO
LONGER SUPPLIED |
|
| 35 |
10-00-141-149
|
. O-RING (1.91:1 ONL Y) |
1 |
| 36 |
L4-146
|
. REAR ADAPTER GASKET |
1 |
| 37 |
10-00-183-073
|
. LOCK BOLT (7/16-14 X 7/8) |
6 |
| 38 |
103322 |
. LOCKWASHER (7/16) |
6 |
| 39 |
L9-8A |
. REDUCTION UNIT
ADAPTER * * * (1.91 :1 ONLY), |
1 |
| |
|
NO
LONGER SUPPLIED |
|
| 39A
|
10-17-172-001
|
. REDUCTION UNIT
ADAPTER * * * * |
1 |
| 40 |
4816 |
.
SNAP RING |
1 |
| 41 |
10-00-130-018
|
.
BEARING |
1 |
| 42 |
L4-145 |
. FRONT ADAPTERGASKET |
1 |
| |
| * REPLACE
BOTH PARTS IF ONE IS DAMAGED. |
| * * SELECT CORRECT SIZE SPACER AT ASSEMBLY. ONLY ONE REQUIRED. |
| * * * FOR USE WITH 1.91:1
NOISE REDUCTION PARTS. THESE INCLUDE LOCK PLATES (23), |
| PINION
CARRIER GASKET (33), AND O-RING (35). |
| * * * * FOR USE WITH 1.88:1 OR 1.91:1 WITHOUT NOISE REDUCTION PARTS. |
| |
| |
| 1.91:1 Reduction Units - Early Production |
 |
|
|
| INDEX |
PART |
DESCRIPTION |
QTY |
| NO.
|
NUMBER
|
| |
NO
NUMBER |
REDUCTION UNIT (1.91:1 ONLY) |
|
| 1 |
4775L |
. COUPLING UNIT |
1 |
| 2 |
4547AY
|
. COUPLING (72C ONLY) |
1 |
| 2B
|
4547BA
|
. COUPLING (71 C ONLY) |
1 |
| 3 |
0000179860 |
. HEX HEAD BOLT (7/16-14 X 1-1/4) |
6 |
| 4 |
0000103322 |
. LOCKWASHER (7/16) |
6 |
| 5 |
L4-7 |
. BEARING RETAINER (1.91:1 ONLY), |
1 |
| |
|
NO
LONGER SUPPLIED |
|
| 6 |
L4-147
|
. BEARING RETAINER GASKET |
1 |
| 7 |
71C-110
|
.
OIL SEAL |
1 |
| 8 |
4920A |
.
BEARING |
1 |
| 9 |
L5-A2 |
. MAIN SHAFT (1.91:1
ONLY), NO LONGER SUPPLIED |
1 |
| 10 |
L5-1
A |
. REDUCTION HOUSING (1.91:1
ONLY), |
1 |
| |
|
NO
LONGER SUPPLIED |
|
|
| NOTE: These early production parts are not
interchangeable with current production parts |
|
|
|
|